Увеличен ассортимент L-образных навесов
01.06.2016
-навесы с пластиковыми накладками ABS аналог CAMAR 806:

Применение:

Накладки к навесу:

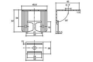
-угловые L образные навесы для корпусов с ящиками, используемые в мебели Икеа:
